Toshiba Hokuto thermal printhead DHP9203FS for Avery Dennison SNAP 500
1/
Feature
Thermal printhead with straight path structure can print on thick media, such as thick tickets and electronic tags . Moreover, it provides high-speed and high-quality printing by history control IC.
Applicable to: Avery Dennison Snap 500 label printer

Application
- High speed label printer
- High speed ticket printer
- High speed tag printer
Parameter
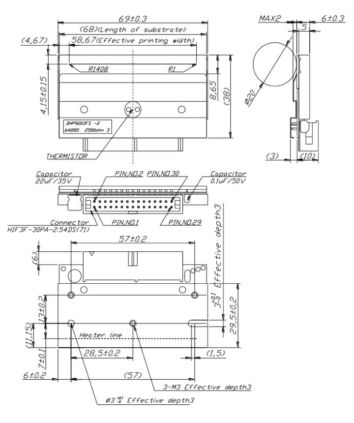
- Print Width: 58.67mm
- Resolution: 24dots/mm(609dots/inch)
- Heat Element Pitch: 0.0833mm
- Number of Heat Elements: 1408dots
- Heat Element Size: 0.032mm(W) x 0.07mm(L)
- Glaze Shape: partial glaze
- Platen Roller Diameter: ∅20mm(Max.)
- Logic Power Supply: 5V
Dimension
